【おまけ付】 6EW7パラレルPP真空管アンプ「Kimura」 6EW7パラレルPP真空管アンプ アンプ
(3404件)
Pontaパス特典
サンキュー配送
33000円(税込)
330ポイント(1%)
Pontaパス会員ならさらに+1%ポイント還元!
送料
(
)
3402
配送情報
お届け予定日:2026.04.13 19:31までにお届け
※一部地域・離島につきましては、表示のお届け予定日期間内にお届けできない場合があります。
ロットナンバー
73297218677
お買い物の前にチェック!
Pontaパス会員なら
ポイント+1%
ポイント+1%
商品説明
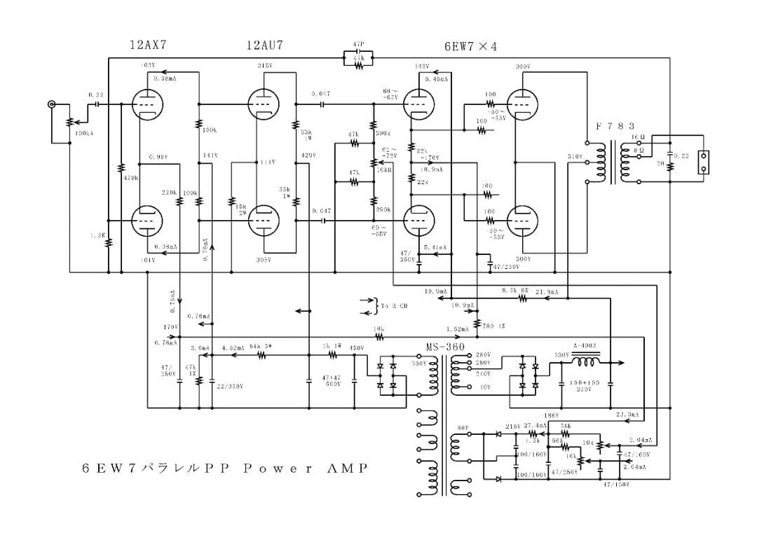
自作6EW7パラレルPP真空管アンプ\r- モデル: 6EW7パラレルPP\r- 真空管数: 6EW7×4, 12AX7×2, 12AU7×2\r- 電源トランス: TANGO MS-360\r- 出力トランス: タムラ F-783\r- チョーク: タムラ A-4003\r- 外観色: シルバー/ブラック\r- スイッチ: 電源スイッチ付き\r\r保管状態は良好です。トランスにはカバーをかけて保管していましたので汚れはありません。\r部品取りの価格設定で出品しますが、そのまま使用する場合は固定バイアスなので、6EW7のプレート電流を調節してください。しばらく使用しておりませんので、動作については約束できません。\r\r価格は次のように設定しました。相談に応じます。\r・電源トランス 15,000円\r・出力トランス 15,000円 x 2\r・チョーク 5,000円\r・真空管・その他 5,000円\r・手数料 + 配送料| カテゴリー: | テレビ・オーディオ・カメラ>>>真空管アンプ>>>アンプ本体 |
|---|---|
| 商品の状態: | 目立った傷や汚れなし","細かな使用感・傷・汚れはあるが、目立たない |
| 配送料の負担: | 送料込み(出品者負担) |
| 配送の方法: | 佐川急便/日本郵便 |
| 発送元の地域: | 埼玉県 |
| 発送までの日数: | 2~3日で発送 |
レビュー
商品の評価:




4.7点(3404件)
- クラ1620
- 某家電量販店で試聴し、デザインもシンプルで良かったので購入しました。
- asads
- ipod-nanoのヘッドフォン出力のパワー/音質に不満があり、手軽な音質アップ が望めるとして、注文しました。サイズは、コンパクトライター程度、機能は 電源スイッチ/ボリューム調整すらないのですが、これがシンプルで使いやすい。 音質はいわゆるドンシャリの低音/高音が強調されたものといえると思いますが、 手軽に音質アップ効果が感じられます。ヘッドフォン端子に接続することで、赤い ランプが点灯し、電源が入ります。使用後抜き忘れると電池がなくなってしまいますが、これは、使う側が気をつけないといけないですね。
- ゆうとうちゃんだよ
- 接着剤のような糸が商品についてましたが、使用には問題ありません。ノイズもなく十分です。
- とも200277
- ガレージのオーディオに使用しています。コンパクトでパワーもそこそこあって何より価格がお安くて良かったです。音に関しては合わせるスピーカによって変わってきますが、色々試して楽しみたいと思います。
- yonx
- 予想以上にサイズが小さく大丈夫かと心配しましたが、出力も大きく安心しました。 20年前に購入したCDプレーヤーとスピーカーを接続し、使用しています。 ボリュームをあげると音がひずむような感じがしたので小音量で使用していますが、素直な音が出ているように感じます。 入力端子が一つしかないのが寂しいですが、このサイズでは仕方がないかと思います。それ以上にCDプレーヤーとスピーカーが復活できたので大満足です。
- fumifumi7766
- ウォークマンでDT990PROが難なく鳴ります。見た目もカッコイイのでコストパフォーマンスに優れた商品です。
- えってぃ0638
- ちょっと頼りないヘッドフォン出力が、パワーアップされ迫力ある音で聞けます。 ノイズもほとんど無く良い感じです。他の人のレビューの通りいい感じでした。 デザインは丸みのある四角い箱型で、電源スイッチが有ると良かったのですね。
- くりたろう1058
- クリアなサウンドにびっくり!! しかも余裕のパワーで、色々なスピーカーで試してみたくなりました。 ヘッドフォンを通すと高音がきつめかなと感じましたが、ヘッドフォンの問題かな? しばらく我慢していたオーディオ魂に火をつけられた感じです。良い買い物をしました。
- とんとん3838
- 思ったよりかなり小型(単3電池2つ分ぐらい)
すべて見る
お店の情報
7,367
連絡・応対
4.3
配送スピード
4.3
梱包
4.3










